いづかデータベース
2025.10.08
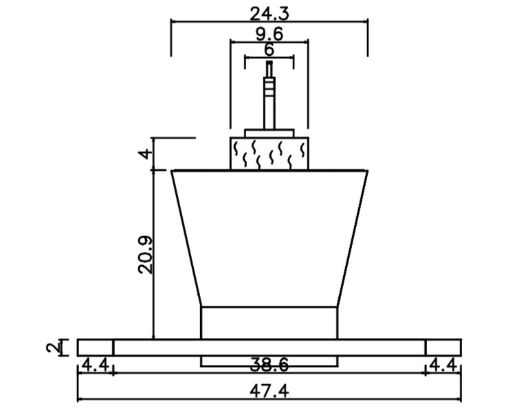
【東浦町 御寺院様 龍の口新設工事~図面変更~】お施主様ID:oi02s
お墓の事は何でも
㈲いづか石材店にお任せください!
お電話いただけると、転送にて繋がります。ショールーム・各展示場は、いつでもご自由にご覧ください。ショールームのインターホンを押していただければ、こちらも転送にて繋がります。お気軽にご相談下さい。
ご依頼・ご相談
お客様に寄り添いながら
お墓まわりのお手伝い
お墓のことやお悩みのことをお聞かせください。内容によってはお答えできない場合、または回答に時間を要する場合がありますので、お急ぎの場合はお電話にてお願いいたします。
0566-21-0953
営業時間 9:00~21:00 定休日 不定休
お問い合わせフォーム
お墓づくりがわかるカタログを無料プレゼント中です。こちらからご請求ください。




施工スタッフ



